- Inicio
- Free AutoCAD 2D Editable Drawings for CATCH BASIN DESIGN
Free AutoCAD 2D Editable Drawings for CATCH BASIN DESIGN
GRATIS
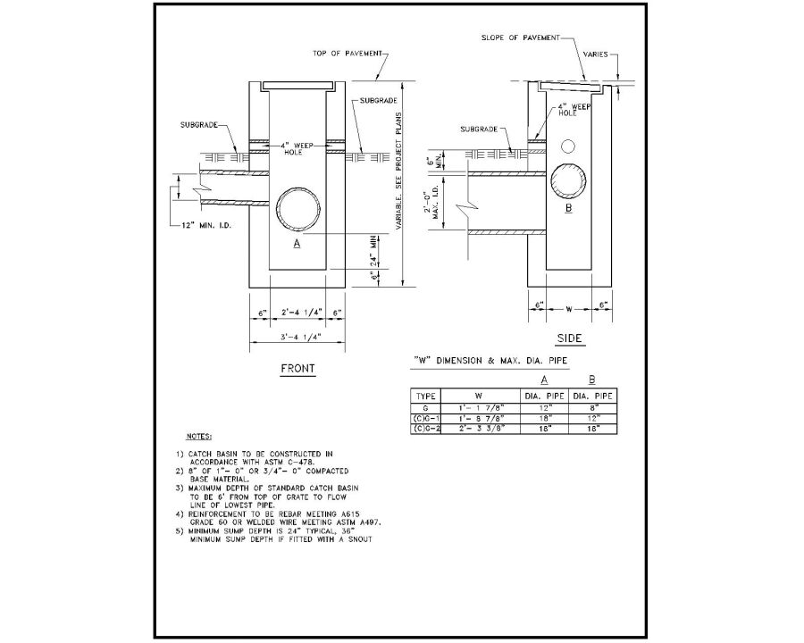
Free AutoCAD 2D Editable Drawings for CATCH BASIN DESIGN CAD block in DWG format for AutoCAD and other CAD software. Clean 2D drawing, fully editable and ideal for architectural plans, elevations, and professional design projects.
| Publicado: | January 07, 2026 |
Free AutoCAD 2D Editable Drawings for CATCH BASIN DESIGN CAD Block – DWG AutoCAD Drawing (Free Download)
Download this high-quality “2D Detailed Drawings” CAD Block in DWG format, suitable for AutoCAD, SketchUp, Revit, and other CAD software.
This detailed 2D Drawings is ideal for architectural drawings, planning applications, interior layouts, construction details, and residential or commercial design work.
File Includes:
- 2D Detailed Drawings (DWG) format
- Scaled 2D CAD drawing
- Clean line-work on layers
- Ready for use in plans, elevations, detail drawings
Key Features:
- Free DWG CAD block download
- Editable – AutoCAD 2007+
- Ideal for residential & commercial projects
Suggested Use Cases:
- Architectural drawings
- Planning applications
- Renovation & refurbishment
- Interior design & joinery detailing
File Format: DWG
Compatibility: AutoCAD, SketchUp, Revit, Vectorworks, ArchiCAD, BricsCAD
| Model # | sku-97127_97127 |
|---|---|
| Animated # | No |
| Materials # | No |
| Rigged # | No |
| Textures # | No |
| UV Mapped # | No |
Escribir Su propia reseña
English
Chinese
French
German
Russian
Portugese
Italian
Japanese 











